Production ofan Ultralarge-Section-Sized Slab With POSCO Mega Caster Developed by POSCO’sOwn Engineering
浦項重型鑄機生產超大斷面板坯
浦項制鐵巨型連鑄機(PosMC)是由浦項制鐵公司自行研制的一種用于特大斷面板坯的立式半連續軋機,使用板坯生產比鑄錠收得率提高13%。這臺鑄機在浦項制鐵第一煉鋼廠建造起來,其生產的板坯斷面尺寸比傳統連鑄機大得多,到目前為止,已經澆鑄了300爐鋼,鑄機沒有任何設備和操作上的問題。大多數鋼種,如中碳結構鋼、不銹鋼和高合金鋼,都已經成功澆鑄,而且板坯的表面和內部質量都比鑄錠的好,下一道工序接收度高。能源工業中使用的鋼材通常需要大于3:1的軋制壓下比,因此浦項制鐵400mm的鑄坯生產的鋼板最大厚度僅為133mm,現在這家工廠能夠滿足133毫米以上厚度鋼板的需求,PosMC新工藝和優化的軋制工藝具有制造優良超厚板的優勢。
低成本生產高利潤鋼材是鋼鐵行業組織生產的主要的目標之一。最近由于全球競爭而成本有所增加,為了滿足這一需求,必須提高收得率和提高軋鋼壓縮比,并提高產品質量。鋼的連鑄工藝是目前較好的解決方案,但如何用特大截面鑄坯和高合金特種鋼來替代鑄錠工藝還沒有解決。因此,2016年,浦項制鐵與旗下的POSCO E&C、POSCO ICT和POSCO Plantec公司共同投入了超大尺寸鑄機(PosMC)的開發。
PosMC工藝具有回收率高、生態友好、減少后續工序等優點。而鑄錠工藝由于采用鍛造工藝而存在回收率低、成本高的缺點。采用垂直半連鑄生產700 × 1800 × 10000mm超大尺寸板坯,比鑄錠生產回收率高,質量好。
從鋼水流動和凝固的計算機模擬開始,針對鑄坯表面質量、尾坯端部縮孔、鋼水表面凍結、不規則凝固、重熔等問題進行模擬研究,進行概念設計和基本設計,并在浦項制鐵第一煉鋼廠建成了結晶器尺寸為700 × 1800 × 10000 mm的工業鑄機。到目前為止,300爐澆鑄通過鑄機沒有任何設備和操作問題,大多數鋼種,如中碳結構鋼、不銹鋼和高合金鋼都成功澆鑄,其表面和內部質量都比鑄錠的質量好,易于后續工藝接受。
最近,大的重型壓力容器、工廠和重型機械制造商想要100mm以上的特厚鋼板,此外,這些板材要求具有苛刻的沖擊韌性指標和內部的完好性。工廠制造商需要厚板厚度達250mm和-60°C低溫沖擊韌性,以適應嚴寒環境。對于大型機械零件的制造,客戶需要更厚的鍛造材料(超過400mm)和嚴格的鋼板內部完好性,如高的清潔度,經過超聲波檢測后無缺陷和偏析,只有少數鋼鐵企業能夠滿足這些客戶的需求,同時遵守環境友好的限制。
生產特厚板有兩種工藝,浦項制鐵有一條厚板生產線,采用連鑄板坯生產的鋼板最大厚度為133mm,鋼板收得率高。然而,它在軋制壓下比方面有一定的局限性,成品鋼板不允許連鑄板坯的軋制壓下比小于3:1。另一種工藝是采用性能優良的鑄錠鍛造成板坯后軋制特厚板,但是產量低,成本高。因此,浦項制鐵開發了一種具有兩種工藝優勢的新型鑄機,以具有競爭力的成本滿足客戶的需求。
工程解決方案
浦項開發了垂直半連鑄PosMC工藝,生產了700 mm厚1800 mm寬的特大板坯,表1顯示了PosMC的主要規格,PosMC的概念和基本設計如下。
表1 PosMC鑄機的主要參數
表2 A516-70鋼種的化學成分,P和S值(ppm)表示

鋼水模擬
采用ANSYSFluent軟件對中間包、浸入式水口(SEN)和結晶器進行了PosMC過程的流體流動建模。
中間包:
由于PosMC的澆注速度很低,為防止鋼水堵塞中間包水口,中間包出口處的鋼水溫度至關重要。在PosMC工藝中,當鋼包到中間包和中間包到結晶器的鋼水下行時,鋼水不堵塞水口和塞棒的鋼水溫度降要最小化。PosMC的中間包通過安裝較厚的耐火材料和絕緣板來最大限度地減小鋼水溫度降。在0.05 m/min的澆注速度下,最大溫度降在13.1℃以內,PosMC能夠在不堵塞水口的情況下將鋼水傳入結晶器內,即使在很低的澆鑄速率下,鋼水也能夠正常從中間包下行到結晶器內。
浸入式水口和結晶器:
PosMC的SEN設計是的一個思想是減少結晶器鋼水液位的波動,以得到均勻平靜的結晶器鋼水液面。在小于0.1 m/min的拉速情況下,由于流速小于0.1 m/min,存在表面鋼水凍結的風險,如圖2所示。為防止鋼水液面凍結,結晶器周圍采用電磁攪拌(EMS)線圈布置。在ANSYS Fluent中分析,通過電磁場耦合的方法,計算了EMS模型中結晶器內的鋼水流動行為,在彎月面內得到均勻的鋼水溫度和穩定的鋼水流動,如圖3所示。

圖1 中間包的鋼水液面高度對應的中間包鋼水溫度降

圖2 采用浸入式水口(SEN)的鋼水流動

圖3 采用EMS結晶器內鋼水流動
鋼水凝固
為了知曉大截面尺寸連鑄坯的凝固過程,利用ANSYS Fluent對連鑄坯的拉速變化進行了計算機模擬,模擬采用了潛熱回收法。從圖4的計算結果可以預測,在鑄速、二次冷卻和EMS條件下,可以安全地組織生產。

圖4 結晶器內采用的凝固模擬:(a)0.05 m/min拉速,(b)0.10 m/min拉速
二冷過程
PosMC鑄機結晶器下,下行的鑄坯由氣水霧化噴嘴進行冷卻,其目的是減少鑄坯鼓肚和減少連鑄生產時間,增加鑄坯的表面熱延性(圖5)。為了防止窄面鼓肚,每個扇形段設置了兩個氣水霧化噴嘴對窄面進行冷卻。

圖5 在二冷過程中,溫度和固態坯殼厚度隨距離彎月面距離的變化
引導夾持輥
PosMC有引導夾持輥,被設計用來限制二冷室內鑄坯出現鼓肚現象,如圖6所示,考慮靜鋼水靜壓作用,計算出的最大鼓肚量為0.8 mm,鼓肚應變為0.2%,滿足鑄坯設計標準。為了強化PosMC鑄機的扇形段,圖6中采用對軋輥冷卻效率更高的螺旋輥代替實心輥,通過計算預測,夾持輥與鑄坯的接觸溫度可達340℃,冷卻效果優于固體實心夾持輥。

圖6 引導夾持輥(鑄坯鼓肚量及螺旋式夾持輥)
減少鑄坯內部縮孔
采用最終凝固控制方法(FSCM)防止鑄坯頂部的預凍結。采用ANSYS Fluent對PosMC鑄坯頂部縮孔狀況進行了預測,如圖7所示。從圖中可以看出,鑄坯頂部的內部縮孔可以最小化。

圖7 (a)在沒有最終凝固控制方法(FSCM),(b)使用FSCM的情況,最大限度地減少了鑄坯內部的縮孔
板坯質量
PosMC板坯表面質量的改善
低速澆鑄表面開裂原因:
在PosMC生產的包晶鋼(0.14 ~ 0.17% C)板坯中,裂紋沿奧氏體晶界出現,如圖8所示。對超厚厚板的最終產品進行表面磨削是非常必要的。裂紋產生的主要原因是中碳鋼奧氏體晶粒粗化導致晶界脆化。已有研究表明,由于連鑄過程中奧氏體晶粒尺寸較粗,導致晶界非常脆弱。[1~4]尺寸較大晶粒在晶界上有較多的硫偏析和析出相,如圖9所示。[6] Y. Li等人[4]利用高溫共焦實驗研究了奧氏體晶粒的生長,由于抑制晶界遷移的釘扎效果的降低,奧氏體晶粒在高溫鐵素體相轉變為奧氏體相結束時迅速開始長大,中碳鋼(0.14-0.17mass% C)中,晶粒生長最快的溫度范圍為1473 – 1350℃。在非常慢的連鑄拉速中,如PosMC 的連鑄拉速為0.06~0.10 m/min,由于在最快晶粒生長溫度范圍內停留時間較長,所以奧氏體晶粒長大的趨勢較大。

圖8 PosMC板坯晶界表面裂紋

圖9 晶界上的硫偏析:(a)板坯表面,(b)紅色的硫偏析
圖10為PosMC生產的壓力容器厚板板坯表面晶粒尺寸測量結果。在PosMC和常規拉速下,平均晶粒尺寸分別為5000微米和600微米。粗大的奧氏體晶粒增加了貝氏體和馬氏體的相變傾向。結果表明,鑄坯與冷卻輥接觸時,鑄坯表面溫度降至430℃。這一溫度下降足以引起貝氏體相變,是鑄造過程中引起裂紋的主要應力。

圖10 PosMC生產壓力容器厚板的奧氏體晶粒度比較
減少表面裂紋的新思路:
為減少PosMC板坯表面裂縫,應避免出現嚴重的溫降,提高鑄坯表面溫度,以減小在低拉速下鑄坯與結晶器下面二冷室夾持輥接觸時的溫度下降。
通過表面各深度的加工和滲透液測試對表面裂紋進行定量評價,如圖11所示。通過提高鋼坯表面溫度,鋼坯表面裂紋的深度和分布都得到了顯著改善,使特厚鋼板首次上市銷售。

圖11 改進前后用滲透法檢測表面裂紋
進一步的研究正在進行,改變結晶器設計,改變連鑄拉速和研究第二相粒子析出釘扎強化作用來防止晶粒尺寸粗化。
減小縮孔
在生產特大斷面板坯的連鑄機中,鑄坯頂部縮孔對成品率有很大的影響。因此,減小鑄坯頂部的縮孔是非常重要的。為解決這一問題,針對PosMC鑄造開發了FSCM。
應用FSCM后,鑄坯內部的縮孔長度從L0明顯縮短到0.45L0,如圖12所示。

圖12 FSCM對鑄坯內部縮孔的影響
厚板
機械性能
對于特厚鋼板,由于軋機的軋制壓力不足,鑄坯的中心疏松不易壓縮,從而導致ZRA質量和中心部位的沖擊韌性下降。此外,由于板坯中奧氏體晶粒較粗或部分形成的貝氏體或馬氏體等低溫組織,焊后熱處理(PWHT)的強度和韌性較差。
由于板坯偏析較低,PosMC生產的板坯中沒有出現Mn的中心偏析和A向偏析,通過充分軋制焊合鑄坯中心疏松,提高了板坯的穩定性。利用上述特點,研制了用于大陸工廠重型壓力容器用超厚A516-70鋼,并對其微觀組織和力學性能進行了分析。
母材力學性能:
圖13為200mmt板在5% 硝酸腐蝕液蝕刻后的四分之一和中心位置的微觀組織結構,珠光體體積分數約為15%,鐵素體平均晶粒尺寸分別為26μm和32μm。由于均勻的鐵素體晶粒形成貫穿厚度,這樣就獲得均勻的力學性能。

圖13 焊后熱處理(PWHT)后鋼板中心位置1/4 厚度處和中心位置的顯微組織
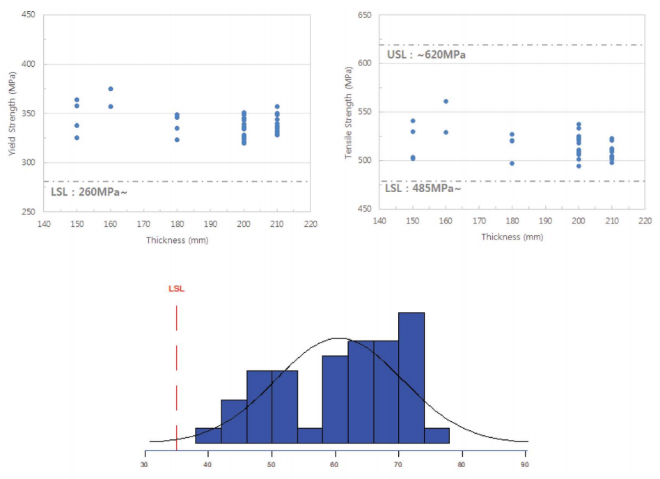
從圖14中可以看出,在不同的厚度方向上,可以得到屈服強度和抗拉強度。平均屈服強度為345 MPa,抗拉強度為518 MPa,符合ASTM A516-70規范要求。為避免層狀撕裂現象,ZRA值達到35%以上是非常重要和必要的。ZRA為厚度方向拉力試樣的斷面收縮率,PosMC制得200 mm厚板的厚度方向上斷面收縮率最小值為41%。

圖14 根據鋼板不同厚度上力學性能和ZRA (鋼板厚度方向拉力試驗的斷面收縮率)
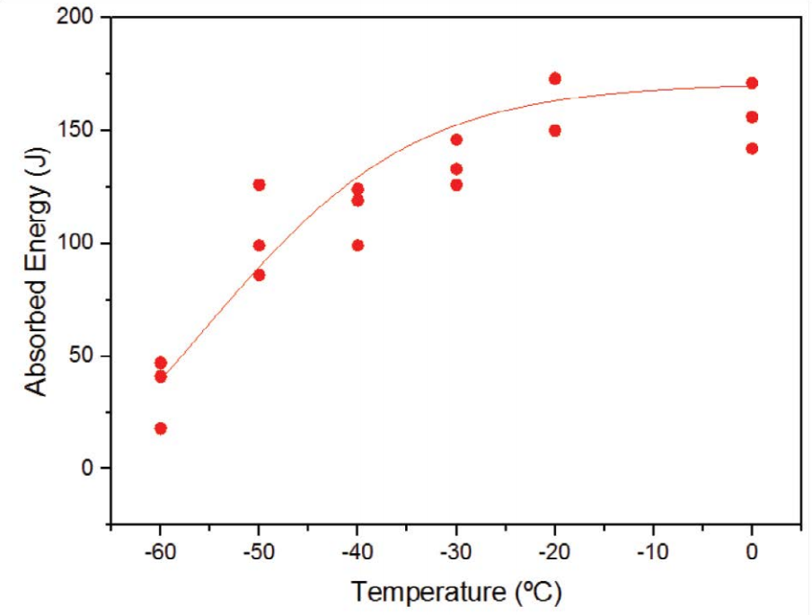
圖15為200 mm鋼板夏比v型缺口試驗全低溫沖擊試驗結果,低沖溫度為0℃~ -60℃。-50℃時,平均吸收能量105 J,最小吸收能量78 J。

圖15 200mmt板中心位置夏比v型缺口試驗的全溫度曲線
熱影響區力學性質:
鋼板的詳細焊接條件見表3。200mmt板采用埋弧焊焊接;開槽角30?,根部開口5mm。預熱溫度為120℃,焊層間溫度設計為120 - 250℃。
表3 A516-70鋼板焊接條件

從表4可以看出,PWHT后的試樣均在母材處斷裂,屈服強度、抗拉強度和延伸率與母材幾乎處于同一水平。圖16顯示了在-30℃下根據熱輸入和PWHT條件評估的熱影響區沖擊韌性測試結果。從以上結果可以確定,在-29℃低溫下,至少有100 J,韌性可以得到保證。
表4 熱影響區拉伸試驗結果


圖16 -29℃低溫沖擊韌性試驗結果
概述
浦項制鐵巨型連鑄機(PosMC)是由浦項制鐵公司自行研制的一種用于特大斷面板坯的垂直半連續鑄機。其板坯的收得率比鑄錠高13%,截面尺寸比常規連鑄機大得多。它是在浦項制鐵第一煉鋼廠建造的。PosMC的運行結果如下:
1.到目前為止,300爐鋼水通過連鑄機沒有任何設備和操作問題,大多數鋼種,如中碳結構鋼、不銹鋼和高合金鋼都成功澆鑄,它們的表面和內部質量都比鑄錠的質量好,易于后續工藝接受。
2.運用ANSYS Fluent軟件,結合實際操作經驗和冶金專業知識,明確解決了結晶器內鋼水液面凍結、中間包內鋼水凍結、超低澆鑄拉速、鑄坯尾部較大縮孔、順序澆鑄等工程問題。
3.為解決尾坯頂部縮孔問題,開發了面向PosMC鑄造的FSCM工藝,采用FSCM后,鑄坯尾坯內部縮孔長度從L明顯縮短到0.45L。
4.通過提高熱鑄坯表面溫度和熱切割鑄坯,大大降低了鑄坯表面裂紋出現的頻率和深度。
5.在鑄造和鍛造過程中,通過最佳的鋼水流動,獲得了鑄坯內部完好性,沒有中心偏析和疏松。
6.用PosMC板坯制成的超厚鋼板等最終產品在焊接前后均具有優良的力學性能。
參考文獻
1.K.S. Oh, J.D.Lee, S.J. Kim and J.Y. Choi, Metallurgical Research & Technology, Vol. 112,2015, p. 203.
2.Y. Maehara,K. Yasumoto and Y. Sugitani, ISIJ Transactions, Vol. 25, 1985, pp. 1045–1092.
3.E.S.Szekeres, 6th International Conference on Clean Steel, Hungary, 2002.
4.K. Yasumoto,T. Nagamichi, Y. Maehara and K.Gunji, Tetsu-to-Hagané, Vol. 14, 1987, p. 1738.
5.Y. Li, G.Wen, L. Luo, J. Liu and P. Tang, Ironmaking and Steelmaking, Vol. 42, 2015, p.41.
6.C.H. Yim,G.S. Jung, H.J. Kim and S.H. Kwon, GIFT research report, 2019.
作者
K.S. Oh:Head ofPosMC Technology Development TF Team, POSCO, Pohang, Gyeongsangbuk, Republic ofKorea goldsteel@posco.com
J.D. Lee:PosMCTechnology Development TF Team, POSCO, Pohang, Gyeongsangbuk, Republic of Korea
T.I. Chung:PosMCTechnology Development TF Team, POSCO, Pohang, Gyeongsangbuk, Republic of Korea
D.W. Kim:PosMCTechnology Development TF Team, POSCO, Pohang, Gyeongsangbuk, Republic of Korea
C.K. Jeong:PosMCTechnology Development TF Team, POSCO, Pohang, Gyeongsangbuk, Republic of Korea
U.K. Cho:PosMCTechnology Development TF Team, POSCO, Pohang, Gyeongsangbuk, Republic of Korea
H.S. Oh:SuperintendentPohang Works, POSCO, Pohang, Gyeongsangbuk, Republic of Korea
唐杰民2021年7月7日在安徽黃山屯溪翻譯自美國《鋼鐵技術》軋制2021年第7期,水平有限,請各位看官對不妥之處給予指正。


