變槳軸承的結構形式通常有單排四點接觸球軸承和雙排同徑四點接觸球軸承兩類,驅動形式有無齒、內齒、外齒三類。本文獲得的樣品為某風電場提供的1.5MW風力發電機組的一開裂變槳軸承,其結構為內齒驅動的雙排同徑四點接觸球軸承。
一、宏觀分析
本文進行失效分析的對象包括軸承內圈(2塊,其中一塊含有裂紋)、軸承外圈(2塊)、滾子(10個),分析變槳軸承樣塊的外觀尺寸,可確定該軸承為內齒雙排同徑四點接觸球軸承。測得外圈高度H=158mm,外圈安裝孔直徑Dn=33mm,內圈安裝孔直徑dn=33mm,鋼球直徑Dw=40mm。參照GB/T 29717—2013《滾動軸承風力發電機組偏航、變槳軸承》中表5,可判斷該變槳軸承的型號應為FD-033.40.1900.03K。其材料為42CrMo,預備熱處理方式為調質處理。FD-033.40.1900.03K型軸承的外形尺寸如表1所示。
表1 FD-033.40.1900.03K軸承外形尺寸 (mm)

宏觀可觀察到軸承內圈螺栓孔附近有一條長約70mm的裂紋,從齒根向滾道方向擴展,未完全穿透整個軸承截面,如圖1所示。用線切割取出裂紋(斷口),經清洗后拍照,如圖2所示。從斷口宏觀形貌可以觀察到典型的貝紋線特征,表明變槳軸承為疲勞開裂。從貝紋線走向,可判斷疲勞源位于變槳軸承內圈輪齒的齒根處。

圖1 變槳軸承內圈上的裂紋

圖2 變槳軸承內圈裂紋斷口宏觀形貌
用超景深數碼顯微鏡分別觀察軸承內圈輪齒、軸承套圈滾道以及軸承滾子的表面形貌,其中輪齒表面形貌如圖3所示。圖中的豎直條紋為機加工形成的表面磨痕,齒輪運行過程因接觸疲勞產生了細小的點蝕坑。

圖3 輪齒表面形貌
滾子表面形貌如圖4所示,可觀察到在滾子表面有較粗大的接觸疲勞點蝕坑形成。

圖4 滾子表面形貌
軸承內圈、外圈滾道表面形貌分別如圖5、圖6所示,在滾道表面可觀察到大量的點蝕坑,同時表面還有微裂紋形成。

圖5 軸承內圈滾道表面形貌

圖6 軸承外圈滾道表面形貌
二、化學成分分析
分別從軸承內外圈切取30mm×30mm×30mm試塊,表面經砂輪打磨后用直讀光譜儀測試軸承內外圈材料的化學成分,結果如表2所示。與GB/T29717—2013《滾動軸承風力發電機組偏航、變槳軸承》對照,軸承內外圈材料碳含量及主要合金元素含量均與42CrMo鋼符合。
表2 變槳軸承材料成分(質量分數) (%)

三、金相分析
從變槳軸承內圈裂紋附近垂直于滾道方向取樣,制備金相試樣,經4%硝酸酒精浸蝕,用數碼相機拍照,如圖7所示,可見整個滾道表面淬硬層深度分布不均勻。

圖7 軸承內圈截面金相樣品全貌
用數碼顯微鏡觀察淬硬層的低倍金相組織,如圖8所示。分別測量圖7中各點的淬硬層深度,結果如表3所示。

圖8 軸承內圈宏觀金相
表3 淬硬層深度測試結果 (μm)

由表3可見,其軸承內圈滾道淬硬層深度在1.03~2.6mm分布。參照GB/T 29717—2013《滾動軸承風力發電機組變槳、偏航軸承》,對于鋼球直徑Dw=40mm的變槳軸承,淬硬層深度應≥3.5mm。本變槳軸承內圈滾道表面淬硬層深度未達到國標要求。用同樣方法制備軸承外圈金相試樣,如圖9所示,可見其滾道表面淬硬層深度分布不均,且淬硬層深度顯然未達到3mm。

圖9 軸承外圈截面金相樣品全貌
用數碼顯微鏡觀察軸承外圈淬硬層的低倍金相組織,如圖10所示。分別測量圖10中各點的淬硬層深度,結果如表4所示。可見其滾道淬硬層深度在0.9~2.9mm分布,未達到GB/T 29717—2013所要求的≥3.5mm。

圖10 軸承內圈宏觀金相
表4 淬硬層深度測試結果

軸承套圈金相試樣拋光后未浸蝕的金相組織如圖11所示,可見其夾雜物主要為球狀(D類)細系,可評為1.0~1.5級。GB/T 29717—2013中對42CrMo軸承套圈材料要求D類非金屬夾雜物不超過1.0級。可見失效軸承套圈材料中的非金屬夾雜物略有超標。

圖11 變槳軸承套圈夾雜物分析(100×)
在軸承內圈金相試樣中可見大量的顯微裂紋,主要分布于淬硬層內,無特定的走向,如圖12所示。在母材中未發現顯微裂紋。

圖12 變槳軸承內圈淬硬層中的顯微裂紋
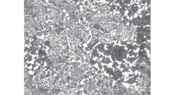
軸承內圈材料淬硬層金相組織如圖13所示,其組織為回火馬氏體,晶粒較為粗大。

圖13 變槳軸承內圈淬硬層金相組織(400×)
軸承內圈材料母材金相組織如圖14所示,其組織為塊狀鐵素體+回火索氏體。組織不均勻,并且鐵素體有呈網狀分布的趨勢。

圖14 變槳軸承內圈母材金相組織(400×)
軸承外圈材料淬硬層金相組織如圖15所示,為回火馬氏體組織,與軸承內圈相比,組織均勻細小。軸承外圈母材組織如圖16所示,為回火索氏體+鐵素體,組織均勻性差,與軸承內圈的組織特征基本相同。

圖15 變槳軸承外圈表面淬硬層金相組織(400×)

圖16 變槳軸承外圈母材金相組織(400×)
四、力學性能測試
用金相試樣測試軸承內圈、外圈的硬度如表5所示。軸承滾子、軸承套圈滾道淬硬層的硬度達到GB/T 29717—2013要求。但軸承套圈母材硬層均未達到GB/T 29717—2013要求的260~300HBW。
表5 軸承套圈材料的硬度

從變槳軸承內圈沿圓周的切向取樣,加工圓柱拉伸試樣。取樣位置及方向如圖17所示。

圖17 取樣位置和方向示意
測得變槳軸承內圈材料的拉伸性能如表6所示,其各項指標均符合JB/T 6396—2006《大型合金鋼鍛件技術條件》。
表6 變槳軸承內圈材料的室溫拉伸性能(20℃)

從軸承內圈沿切向取樣(參見圖17),加工V型缺口夏比沖擊試樣。測得軸承內圈材料的室溫和低溫沖擊吸收能量,如表7所示。其-40℃下的沖擊吸收能量未達到GB/T 29717—2013要求。
表7 變槳軸承內圈材料的沖擊性能

五、斷口掃描電鏡分析
用掃描電鏡(SEM)觀察分析軸承內圈斷口(裂紋)的顯微形貌,圖2中的疲勞源A區SEM形貌如圖18所示。放大后可見該疲勞源區微觀形貌呈典型的沿晶斷裂特征,如圖19所示。

圖18 疲勞源區SEM斷口宏觀形貌

圖19 圖18中的疲勞源1區的SEM顯微形貌
疲勞源從輪齒的齒根處形成,齒根表面有大面積的氧化或腐蝕產物存在,如圖20所示。用能譜分析裂紋源附近齒根的表面成分,其能譜圖如圖21所示,元素定量結果如表8所示。

圖20 疲勞源附近齒根表面SEM顯微形貌

圖21 疲勞源附近齒根表面能譜圖
表8 疲勞源區次表面腐蝕產物能譜成分分析 (%)

疲勞擴展區SEM微觀形貌如圖22所示,呈準解理斷裂特征。因裂紋尚未穿透軸承截面發生斷裂,斷口上無瞬斷區。

圖22 疲勞擴展區的SEM顯微形貌
六、分析結論
綜合以上對產生裂紋的變槳軸承套圈材料的化學成分、金相組織、力學性能以及斷口形貌的分析結果,得出以下結論:(1)失效變槳軸承內圈為疲勞破壞,疲勞源位于輪齒的齒根應力集中處。(2)測得變槳軸承內外圈滾道淬硬層深度0.9~2.9mm,未達到GB/T 29717—2013對于鋼球直徑Dw= 40mm的變槳軸承淬硬層深度應≥3.5mm要求;軸承內圈淬硬層中出現的顯微裂紋與淬硬層深度不足和淬硬層組織粗大有關。(3)軸承內外圈母材組織不均勻,鐵素體存在網狀分布趨勢;套圈材料的硬度和低溫沖擊吸收能量均偏低,不滿足GB/T 29717—2013要求,與材料鍛造或熱處理工藝有關。(4)軸承套圈材料化學成分符合GB/T 29717—2013要求。
七、討論
由于軸承滾道淬硬層深度不夠,在軸承運行過程中首先在滾道表面發生接觸疲勞,導致在滾道表面產生大量的點蝕坑,引起軸承精度降低,振動加劇;隨后在軸承內圈輪齒的齒根應力集中處產生疲勞裂紋源,由于軸承套圈材料硬度不足,低溫韌性差,導致疲勞裂紋快速擴展而失效。風力發電機組變槳軸承的失效,除了運行中受到不均勻交變載荷以及沖擊外,制造過程中的鍛造、熱處理以及材質控制尤為重要,風電企業應重視大部件生產過程中的駐場監造環節,嚴格控制生產過程,杜絕生產工藝環節控制不當而對后期的安全生產埋下隱患。
作者:張新國,等
單位:西安益通熱工技術服務有限責任公司,等
(本平臺"常州精密鋼管博客網"的部分圖文來自網絡轉載,轉載目的在于傳遞更多技術信息。我們尊重原創,版權歸原作者所有,若未能找到作者和出處望請諒解,敬請聯系主編微信號:steel_tube,進行刪除或付稿費,多謝!)